咨询热线:
400-831-0075FIGHTING KNIFE CYLINDERV
SPINDLE GRIPPER
SPONDLE REPAIR
OPTION
施工周期短,性价比高施工周期短,性价比高施工周期短,性价比高施工周期短,性价比高
丹铨精密机械有限公司为工具机主轴专业制造厂。公司累积多年经验,拥有专业主轴装配与各项检测技术
拥有售后服务网点,为您提供更及时周到的服务。
产品是根据现场尺寸量身定制 工厂提供个性定制化服务选用上好的原材料,根据标准生产产品,同时我们潜心专注于产品的生产、销售,以保证持续不断的新品开发能力。

咨询热线:400-831-0075
立即咨询
齿轮主轴指的是机床上带动工件或刀具旋转的轴。通常由主轴、轴承和传动件(齿轮或带轮)等组成主轴部件。在机器中主要用来支撑传动零件如齿轮、带轮,传递运动及扭矩,如机床主轴;有的用来装夹工件,如心轴。

高速直结式主轴在高速加工中心和钻攻中心用得比较多,通常转速都能达到12000转。转速和切削力成一个反比函数,基本上转速越大切削力越小,所以高速直结式主轴切削力是不如皮带式主轴的。皮带式主轴胜在更加稳定,加工一些对表面光洁度要求高的工件有很大的优势。

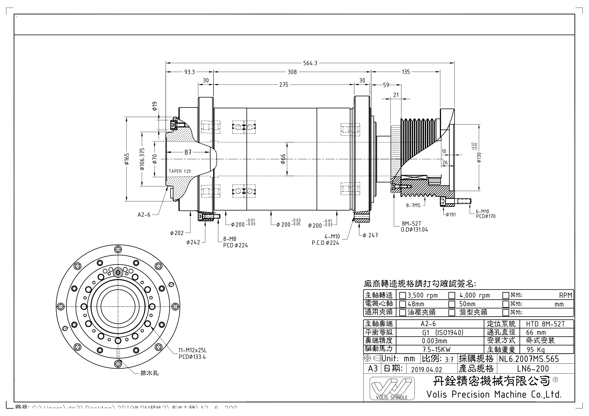
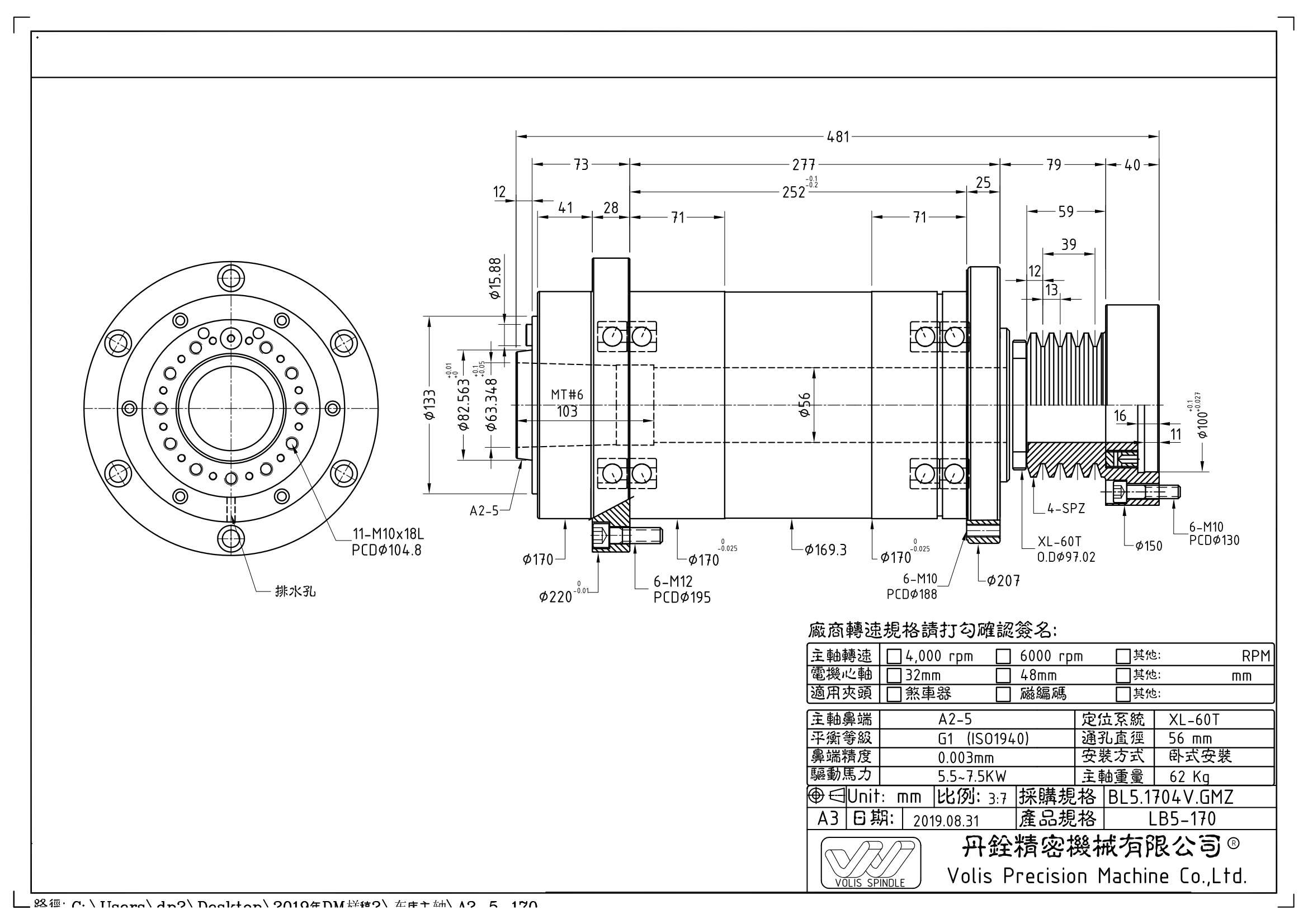
车床主轴是一种典型的轴类零件,它是机床的关键零件之一,它把回旋运动和转矩通过主轴端部的家具传递给工件或刀具。因此在工作中主轴要承受转矩和弯矩,而且还要求有很高的回转精度。因此,主轴的制造质量将直接影响到整台机床的工作精度和使用寿命。

车床主轴指的是车床上带动工件或刀具旋转的轴,通常由主轴、轴承和传动件(齿轮或带轮)等组成,在实际应用中无传动电主轴和机械传动主轴两种较为常见。零传动电主轴采用电机和机床主轴一体化的结构,具有良好的回转精度和稳定性。
地址:江苏省无锡市江阴市祝塘镇新庄路117号天玺江阴智造园11栋 联系人:何晓红 女士
手机:13761182765 电话:400-831-0075 邮箱:35388589@qq.com