-
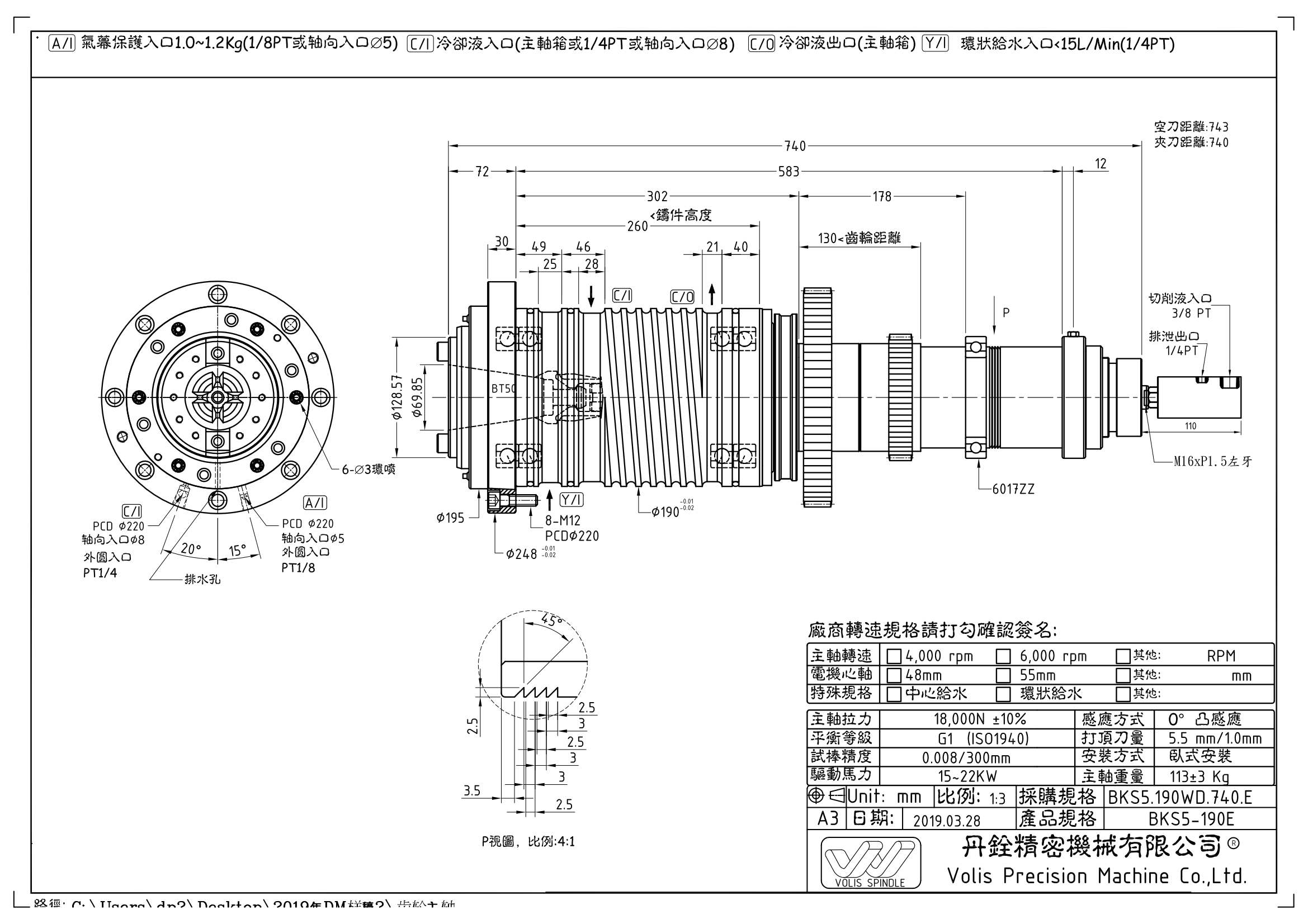
BKS5.190WD.740.E 型录
丹铨精密机械有限公司为工具机主轴专业制造厂,生产CNC切削中心机皮带主轴,钻孔机主轴,高速直结主轴,中空出水主轴,CNC车床主轴,磨床主轴等,另外承接非标主轴订制和专业主轴维修业务。
查看详情 -
BKS5.190WD.740.Y 型录
丹铨精密机械有限公司为工具机主轴专业制造厂,生产CNC切削中心机皮带主轴,钻孔机主轴,高速直结主轴,中空出水主轴,CNC车床主轴,磨床主轴等,另外承接非标主轴订制和专业主轴维修业务。
查看详情

当前位置:


