-
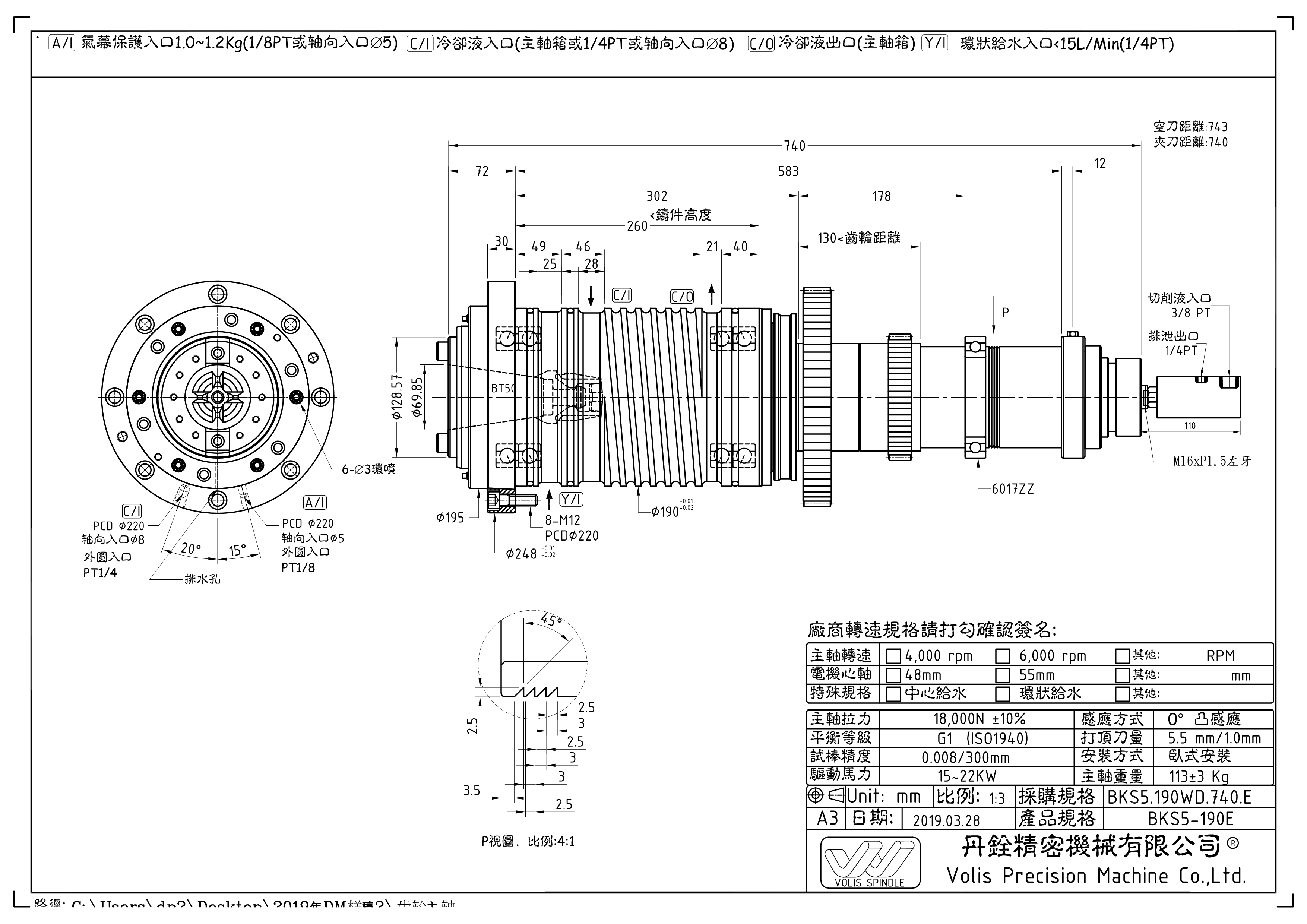
BKS5.190WD.740.E 型錄
丹銓精密機械有限公司為工具機主軸專業製造廠,生產CNC切削中心機皮帶主軸,鑽孔機主軸,高速直結主軸,中空出水主軸,CNC車床主軸,磨床主軸等,另外承接非標主軸訂製和專業主軸維修業務。
查看詳情 -
BKS5.190WD.740.Y型錄
丹銓精密機械有限公司為工具機主軸專業製造廠,生產CNC切削中心機皮帶主軸,鑽孔機主軸,高速直結主軸,中空出水主軸,CNC車床主軸,磨床主軸等,另外承接非標主軸訂製和專業主軸維修業務。
查看詳情

當前位置:


