
簡介:丹銓精密機械有限公司為工具機主軸專業製造廠,生產CNC切削中心機皮帶主軸,鑽孔機主軸,高速直結主軸,中空出水主軸,CNC車床主軸,磨床主軸等,另外承接非標主軸訂製和專業主軸維修業務。

掃一掃更精彩
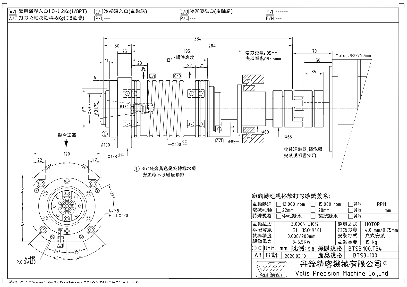
如果您對此產品感興趣! 請直接聯系丹銓精密機械有限公司!
B30-090-280-2
瞭解詳情B40-120-M42-1
瞭解詳情D30-100-T34-1
瞭解詳情D40-120-480-1
瞭解詳情B40-150-V50-中空-1
瞭解詳情車床主軸指的是車床上帶動工件或刀具旋轉的軸,通常由主軸、軸承和傳動件(齒輪或帶輪)等組成,在實際應用中無傳動電主軸和機械傳動主軸兩種較為常見。 零傳動電主軸採用電機和機床主軸一體化的結構,具有良好的回轉精度和穩定性。 機械傳動主軸輸出的扭矩和功率要大得多,但相對來說回轉精度和平穩性要差一點。 囙此正確地設計機床主軸及其組件對機床加工精度的影響是至關重要的。
車床主軸是一種典型的軸類零件,它是機床的關鍵零件之一,它把迴旋運動和轉矩通過主軸端部的傢俱傳遞給工件或刀具。 囙此在工作中主軸要承受轉矩和彎矩,而且還要求有很高的回轉精度。 囙此,主軸的製造質量將直接影響到整臺機床的工作精度和使用壽命。
高速直結式主軸在高速加工中心和鑽攻中心用得比較多,通常轉速都能達到12000轉。 轉速和切削力成一個反比函數,基本上轉速越大切削力越小,所以高速直結式主軸切削力是不如皮帶式主軸的。
齒輪主軸指的是機床上帶動工件或刀具旋轉的軸。 通常由主軸、軸承和傳動件(齒輪或帶輪)等組成主軸部件。
400-831-0075
郵箱:35388589@qq.com
QQ:35388589
地址:江蘇省無錫市江陰市祝塘鎮新莊路117號天璽江陰智造園11棟 連絡人:何曉紅 女士
手機:13761182765 電話:400-831-0075 郵箱:35388589@qq.com